• <li id="ggggg"></li>
    <tt id="ggggg"></tt>
  • <tt id="ggggg"><rt id="ggggg"></rt></tt>
  • <tt id="ggggg"><rt id="ggggg"></rt></tt>
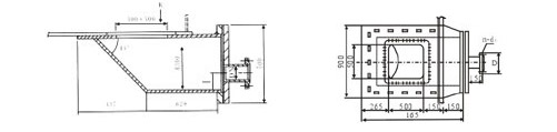
  • 儲罐開孔系列

    致力于研究并開發世界先進的安全泄壓解決方案

    安全泄壓技術帶領者,擁有國內國際先進的專利和技術

    儲罐開孔系列

    帶放水管排污孔(PWK)型
    發布時間:2021-06-28      點擊次數:

      您感興趣的
      上一篇: 清掃孔(GQK型)
      下一篇: 罐壁通氣孔TQK型

      返回列表

      版權所有 :淄博旭龍石化設備有限公司

      久久无码久久免费